Ventiladores IP68/IP69K de NMB para electrónica de potencia
Ventiladores IP68/IP69K de NMB para electrónica de potencia
En los sistemas de conversión de energía, como los convertidores solares fotovoltaicos, el control térmico no es simplemente una cuestión de eficiencia: es una condición indispensable para asegurar la fiabilidad operativa a largo plazo. Este tipo de equipos suele instalarse en exteriores, expuestos a condiciones ambientales cambiantes, y debe soportar cargas de trabajo intensas durante periodos prolongados. En climas cálidos o con elevada radiación solar, el riesgo de sobrecalentamiento aumenta de forma considerable, y con él, la posibilidad de fallos prematuros en componentes críticos.
Además, estos convertidores integran electrónica de potencia de alta densidad que genera calor de manera continua, incluso en funcionamiento nominal. Si la disipación térmica no está correctamente gestionada, el sistema puede experimentar pérdidas de eficiencia, degradación acelerada de los materiales o incluso paradas forzadas. Por eso, contar con una solución de ventilación fiable, resistente y adaptada a entornos adversos no es solo recomendable: es imprescindible.
Conscientes de esta necesidad, desde RC Microelectrónica, como distribuidores oficiales, colaboramos estrechamente con NMB para ofrecer soluciones que respondan a los retos actuales de la conversión solar. La serie de ventiladores IP68/IP69K de NMB se ha desarrollado específicamente para garantizar un rendimiento térmico eficaz en condiciones extremas, aportando robustez, durabilidad y un control inteligente de la refrigeración.
Serie IP68/IP69K de NMB: ventilación robusta, inteligente y duradera
Diseñada para operar en entornos hostiles, esta serie cuenta con los niveles más altos de protección ambiental según las normativas internacionales IEC 60529 e ISO 20653. Esto se traduce en una estanqueidad total frente al polvo y una resistencia comprobada a chorros de agua a alta presión y temperatura, como los que se emplean en procesos de limpieza industrial o durante fuertes lluvias en instalaciones exteriores. Este tipo de protección es especialmente valorado en aplicaciones donde el sistema está expuesto a la intemperie o requiere mantenimiento frecuente.
Los ventiladores de esta gama están disponibles en formatos de 40 a 172 mm, y en distintas tensiones: 12 V, 24 V y 48 V, lo que facilita su integración en múltiples configuraciones electrónicas. Incorporan señal de bloqueo o señal de salida tacométrica para monitorizar la velocidad en tiempo real, una característica que permite detectar con antelación cualquier anomalía o pérdida de rendimiento en el sistema de ventilación.
Uno de los aspectos más destacados de esta serie es la calidad de sus componentes mecánicos. Los ventiladores montan rodamientos de bolas de precisión, desarrollados por la propia NMB, con anillos exteriores de acero inoxidable y, opcionalmente, bolas cerámicas.
Características técnicas de la serie IP68/IP69K
- Tamaños disponibles: de 40 mm a 172 mm
- Tensiones: 12 VDC, 24 VDC y 48 VDC
- Vida útil estimada: hasta 100.000 h a 25 °C / 40.000 h a 60 °C
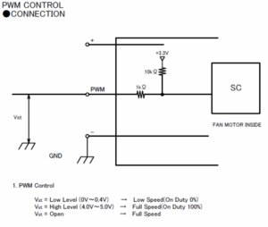
- Posibilidad de incorporar control del caudal mediante sistema PWM
- Opción de salida de tacómetro para monitorización de velocidad o señal de bloqueo
Más allá del sector solar: múltiples aplicaciones posibles
Aunque esta serie es especialmente adecuada para sistemas de conversión solar, su robustez y rendimiento la convierten en una opción excelente para otras industrias donde el control térmico es fundamental. En automatización industrial, estos ventiladores son ideales para refrigerar armarios eléctricos, variadores, PLCs y sistemas de control que operan en entornos exigentes, gracias a su alta resistencia al polvo, la humedad y a procesos de limpieza a presión.
Para cargadores de vehículos eléctricos, su protección IP68/IP69K asegura que puedan funcionar sin problemas en exteriores, manteniendo la electrónica a temperaturas óptimas y prolongando su vida útil. En telecomunicaciones, resultan perfectos para estaciones base y nodos remotos, donde ayudan a evitar el sobrecalentamiento y garantizar la continuidad del servicio. Además, su tamaño compacto y durabilidad los hacen muy adecuados para dispositivos IoT industriales y electrónica embebida instalados en lugares de difícil acceso, minimizando la necesidad de mantenimiento frecuente. También son una solución fiable para fuentes de alimentación, inversores y sistemas UPS, manteniendo la temperatura estable en componentes críticos y mejorando la eficiencia energética, lo que reduce la probabilidad de fallos. Finalmente, en instrumentación electrónica, equipamiento médico y entornos higiénicos, su compatibilidad con procesos de limpieza a presión y resistencia a productos químicos los convierte en una opción ideal para equipos que requieren alta precisión y condiciones sanitarias estrictas.



